Chi tiết
Quạt sò thép không rỉ TB-105-1 / TB-118S-1
Loại:
Quạt Innotech - Việt Nam
Mô tả sản phẩm:
Tiếng ồn và khối lượng không khí
Cố định dụng cụ, hơi tại chỗ và cung cấp khí đốt nhanh
Quạt thổi cung cấp không khí áp suất cao, Vỏ bên ngoài được gia cố với độ bền cao (nhôm D / C)
Dễ dàng để lắpi đặt, nhỏ gọn, trọng lượng nhẹ, dễ dàng sử dụng, cung cấp khí đốt nhanh.
|
Lắp ráp:
|
Việt Nam
|
|
Lưu lượng gió:
|
(m3/h)
|
|
Công suất:
|
(W)
|
|
Tốc độ quay:
|
(V/P)
|
|
Độ ồn:
|
(dB)
|
|
Nguồn điện:
|
220V - 50Hz
|
|
Xuất xứ:
|
Hàn Quốc
|
|
Trọng lượng:
|
(Kg)
|
Giá:
Liên hệ
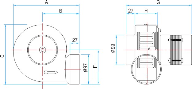
Thông số kỹ thuật:
|
Kiểu mẫu
|
Kích thước (Mm)
|
Điện áp (∮ / V / Hz)
|
Dòng điện (A)
|
Số cực (P)
|
Công suất tiêu thụ (W)
|
Lưu lượng gió (㎥ / h)
|
Thủy tỉnh (MmAq)
|
Tốc độ (Rpm)
|
Tiếng ồn (DB)
|
Trọng lượng (Kg)
|
Giá thành
|
|
TB-105-1
|
Ø105X60
|
1/220/60
|
0,28
|
2
|
60
|
330
|
40
|
3,170
|
58
|
2.3
|
|
|
1/220/50
|
0,26
|
52
|
287
|
30
|
2,765
|
|
TB-118S-1
|
Ø118X60
|
1/220/60
|
0,76
|
2
|
160
|
540
|
46
|
3.150
|
60
|
6.5
|
|
|
1/220/50
|
0,73
|
139
|
470
|
30
|
2.760
|
