Thông số kỹ thuật:
.gif)
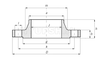
Dimensions & Masses of ANSI B16.5 WNRF Flange Class 150

GIÁ MẶT BÍCH - MẠ KẼM NHÚNG NÓNG (01/03/2014)
|
TÊN HÀNG
|
MẶT BÍCH BS
|
MẶT BÍCH JIS
|
MẶT BÍCH BS4504
|
ANSI #150
|
|
BS5K
|
BS10K
|
Mù 10K
|
JIS10K
|
JIS20K
|
MÙ JIS10K
|
PN16
|
Mù PN16
|
PN25
|
|
DN15
|
Ø 21
|
24,000
|
30,000
|
42,000
|
37,000
|
-
|
51,000
|
40,000
|
54,000
|
46,000
|
64,000
|
|
DN20
|
Ø 27
|
29,000
|
33,000
|
46,000
|
48,000
|
-
|
67,000
|
46,000
|
61,000
|
54,000
|
76,000
|
|
DN25
|
Ø 34
|
31,000
|
44,000
|
62,000
|
58,000
|
-
|
82,000
|
54,000
|
73,000
|
66,000
|
91,000
|
|
DN32
|
Ø 42
|
35,000
|
52,000
|
73,000
|
63,000
|
68,000
|
88,000
|
66,000
|
90,000
|
84,000
|
93,000
|
|
DN40
|
Ø 49
|
40,000
|
55,000
|
77,000
|
65,000
|
84,000
|
91,000
|
84,000
|
114,000
|
114,000
|
105,000
|
|
DN50
|
Ø 60
|
49,000
|
63,000
|
88,000
|
89,000
|
100,000
|
124,000
|
96,000
|
131,000
|
156,000
|
114,000
|
|
DN65
|
Ø 76
|
56,000
|
77,000
|
107,000
|
109,000
|
131,000
|
152,000
|
134,000
|
182,000
|
186,000
|
166,000
|
|
DN80
|
Ø 90
|
70,000
|
93,000
|
130,000
|
131,000
|
189,000
|
184,000
|
156,000
|
212,000
|
240,000
|
223,000
|
|
DN100
|
Ø 114
|
81,000
|
103,000
|
144,000
|
160,000
|
223,000
|
224,000
|
198,000
|
269,000
|
276,000
|
338,000
|
|
DN125
|
Ø 141
|
97,000
|
131,000
|
184,000
|
171,000
|
366,000
|
240,000
|
276,000
|
376,000
|
360,000
|
389,000
|
|
DN150
|
Ø 168
|
126,000
|
185,000
|
259,000
|
257,000
|
486,000
|
360,000
|
348,000
|
473,000
|
456,000
|
457,000
|
|
DN200
|
Ø 219
|
189,000
|
234,000
|
328,000
|
360,000
|
606,000
|
504,000
|
504,000
|
685,000
|
660,000
|
709,000
|
|
DN250
|
Ø 273
|
263,000
|
360,000
|
504,000
|
514,000
|
-
|
720,000
|
780,000
|
1,060,000
|
936,000
|
903,000
|
|
DN300
|
Ø 325
|
343,000
|
480,000
|
672,000
|
566,000
|
-
|
792,000
|
972,000
|
1,321,000
|
1,176,000
|
1,491,000
|
|
DN350
|
Ø 355
|
555,000
|
566,000
|
793,000
|
807,000
|
-
|
1,131,000
|
1,500,000
|
2,039,000
|
2,100,000
|
2,411,000
|
|
DN400
|
Ø 406
|
628,000
|
841,000
|
1,178,000
|
1,234,000
|
-
|
1,727,000
|
1,860,000
|
2,528,000
|
2,460,000
|
3,129,000
|
|
DN450
|
Ø 457
|
729,000
|
998,000
|
1,397,000
|
1,626,000
|
-
|
2,277,000
|
2,700,000
|
3,670,000
|
3,280,000
|
-
|
|
DN500
|
Ø 508
|
785,000
|
1,110,000
|
1,554,000
|
1,963,000
|
-
|
2,748,000
|
3,360,000
|
4,567,000
|
4,440,000
|
-
|
|
DN550
|
Ø 556
|
1,009,000
|
1,402,000
|
1,963,000
|
2,860,000
|
-
|
4,004,000
|
4,380,000
|
5,953,000
|
5,322,000
|
-
|
|
DN600
|
Ø 610
|
1,851,000
|
2,636,000
|
3,690,000
|
3,589,000
|
-
|
5,024,000
|
5,220,000
|
7,096,000
|
6,600,000
|
-
|
GIÁ MẶT BÍCH – XI KẼM (01/03/2014)
|
TÊN HÀNG
|
MẶT BÍCH BS
|
MẶT BÍCH JIS
|
MẶT BÍCH BS4504
|
ANSI #150
|
|
BS5K
|
BS10K
|
Mù 10K
|
JIS10K
|
JIS20K
|
MÙ JIS10K
|
PN16
|
Mù PN16
|
PN25
|
|
DN15
|
Ø 21
|
22,000
|
27,000
|
38,000
|
34,000
|
-
|
46,000
|
36,000
|
49,000
|
42,000
|
58,000
|
|
DN20
|
Ø 27
|
26,000
|
30,000
|
42,000
|
44,000
|
-
|
61,000
|
42,000
|
55,000
|
49,000
|
69,000
|
|
DN25
|
Ø 34
|
28,000
|
40,000
|
56,000
|
53,000
|
-
|
75,000
|
49,000
|
66,000
|
60,000
|
83,000
|
|
DN32
|
Ø 42
|
32,000
|
47,000
|
66,000
|
57,000
|
62,000
|
80,000
|
60,000
|
82,000
|
76,000
|
85,000
|
|
DN40
|
Ø 49
|
36,000
|
50,000
|
70,000
|
59,000
|
76,000
|
83,000
|
76,000
|
104,000
|
104,000
|
95,000
|
|
DN50
|
Ø 60
|
45,000
|
57,000
|
80,000
|
81,000
|
91,000
|
113,000
|
87,000
|
119,000
|
142,000
|
104,000
|
|
DN65
|
Ø 76
|
51,000
|
70,000
|
97,000
|
99,000
|
119,000
|
138,000
|
122,000
|
165,000
|
169,000
|
151,000
|
|
DN80
|
Ø 90
|
64,000
|
85,000
|
118,000
|
119,000
|
172,000
|
167,000
|
142,000
|
193,000
|
218,000
|
203,000
|
|
DN100
|
Ø 114
|
74,000
|
94,000
|
131,000
|
145,000
|
203,000
|
204,000
|
180,000
|
245,000
|
251,000
|
307,000
|
|
DN125
|
Ø 141
|
88,000
|
119,000
|
167,000
|
155,000
|
333,000
|
218,000
|
251,000
|
342,000
|
327,000
|
354,000
|
|
DN150
|
Ø 168
|
115,000
|
168,000
|
235,000
|
234,000
|
442,000
|
327,000
|
316,000
|
430,000
|
415,000
|
415,000
|
|
DN200
|
Ø 219
|
172,000
|
213,000
|
298,000
|
327,000
|
551,000
|
458,000
|
458,000
|
623,000
|
600,000
|
645,000
|
|
DN250
|
Ø 273
|
239,000
|
327,000
|
458,000
|
467,000
|
-
|
655,000
|
709,000
|
964,000
|
851,000
|
821,000
|
|
DN300
|
Ø 325
|
312,000
|
436,000
|
611,000
|
515,000
|
-
|
720,000
|
884,000
|
1,201,000
|
1,069,000
|
1,355,000
|
|
DN350
|
Ø 355
|
505,000
|
515,000
|
721,000
|
734,000
|
-
|
1,028,000
|
1,364,000
|
1,854,000
|
1,909,000
|
2,192,000
|
|
DN400
|
Ø 406
|
571,000
|
765,000
|
1,071,000
|
1,122,000
|
-
|
1,570,000
|
1,691,000
|
2,298,000
|
2,236,000
|
2,845,000
|
|
DN450
|
Ø 457
|
663,000
|
907,000
|
1,270,000
|
1,478,000
|
-
|
2,070,000
|
2,455,000
|
3,336,000
|
2,982,000
|
-
|
|
DN500
|
Ø 508
|
714,000
|
1,009,000
|
1,413,000
|
1,785,000
|
-
|
2,498,000
|
3,055,000
|
4,152,000
|
4,036,000
|
-
|
|
DN550
|
Ø 556
|
917,000
|
1,275,000
|
1,785,000
|
2,600,000
|
-
|
3,640,000
|
3,982,000
|
5,412,000
|
4,838,000
|
-
|
|
DN600
|
Ø 610
|
1,683,000
|
2,396,000
|
3,355,000
|
3,263,000
|
-
|
4,567,000
|
4,745,000
|
6,451,000
|
6,000,000
|
-
|
GIÁ MẶT BÍCH ĐEN CÁC LOẠI (01/06/12)
|
TÊN HÀNG
|
MẶT BÍCH BS
|
MẶT BÍCH JIS
|
MẶT BÍCH BS4504
|
ANSI #150
|
|
BS5K
|
BS10K
|
Mù 10K
|
JIS10K
|
JIS20K
|
MÙ JIS10K
|
PN16
|
Mù PN16
|
PN25
|
|
DN15
|
Ø 21
|
20,000
|
25,000
|
35,000
|
30,000
|
-
|
43,000
|
33,000
|
45,000
|
38,000
|
53,400
|
|
DN20
|
Ø 27
|
24,000
|
27,000
|
38,000
|
39,000
|
-
|
56,000
|
38,000
|
51,000
|
45,000
|
63,100
|
|
DN25
|
Ø 34
|
25,000
|
37,000
|
51,000
|
48,000
|
-
|
68,000
|
45,000
|
61,000
|
55,000
|
75,700
|
|
DN32
|
Ø 42
|
29,000
|
43,000
|
61,000
|
51,000
|
56,000
|
73,000
|
55,000
|
75,000
|
70,000
|
77,700
|
|
DN40
|
Ø 49
|
33,000
|
45,000
|
63,000
|
53,000
|
70,000
|
76,000
|
70,000
|
95,000
|
95,000
|
87,400
|
|
DN50
|
Ø 60
|
40,000
|
52,000
|
73,000
|
72,000
|
83,000
|
103,000
|
80,000
|
109,000
|
130,000
|
95,100
|
|
DN65
|
Ø 76
|
47,000
|
64,000
|
90,000
|
90,000
|
112,000
|
129,000
|
110,000
|
152,000
|
155,000
|
138,100
|
|
DN80
|
Ø 90
|
59,000
|
78,000
|
109,000
|
110,000
|
160,000
|
156,000
|
130,000
|
177,000
|
200,000
|
185,700
|
|
DN100
|
Ø 114
|
68,000
|
87,000
|
121,000
|
133,000
|
189,000
|
190,000
|
160,000
|
224,000
|
230,000
|
281,900
|
|
DN125
|
Ø 141
|
82,000
|
111,000
|
155,000
|
143,000
|
311,000
|
204,000
|
220,000
|
313,000
|
300,000
|
323,800
|
|
DN150
|
Ø 168
|
106,000
|
156,000
|
218,000
|
214,000
|
413,000
|
306,000
|
280,000
|
394,000
|
380,000
|
381,000
|
|
DN200
|
Ø 219
|
159,000
|
197,000
|
276,000
|
300,000
|
515,000
|
428,000
|
440,000
|
571,000
|
550,000
|
590,500
|
|
DN250
|
Ø 273
|
221,000
|
303,000
|
424,000
|
429,000
|
-
|
612,000
|
650,000
|
883,000
|
780,000
|
752,400
|
|
DN300
|
Ø 325
|
288,000
|
404,000
|
565,000
|
471,000
|
-
|
673,000
|
790,000
|
1,101,000
|
980,000
|
1,242,900
|
|
DN350
|
Ø 355
|
476,000
|
486,000
|
680,000
|
686,000
|
-
|
979,000
|
1,290,000
|
1,699,000
|
1,750,000
|
2,009,300
|
|
DN400
|
Ø 406
|
538,000
|
721,000
|
1,010,000
|
1,048,000
|
-
|
1,495,000
|
1,590,000
|
2,107,000
|
2,050,000
|
2,607,500
|
|
DN450
|
Ø 457
|
625,000
|
856,000
|
1,198,000
|
1,381,000
|
-
|
1,971,000
|
2,400,000
|
3,058,000
|
2,733,600
|
-
|
|
DN500
|
Ø 508
|
673,000
|
952,000
|
1,333,000
|
1,667,000
|
-
|
2,379,000
|
2,900,000
|
3,806,000
|
3,700,000
|
-
|
|
DN550
|
Ø 556
|
865,000
|
1,202,000
|
1,683,000
|
2,429,000
|
-
|
3,466,000
|
3,800,000
|
4,961,000
|
4,434,600
|
-
|
|
DN600
|
Ø 610
|
1,587,000
|
2,260,000
|
3,163,000
|
3,048,000
|
-
|
4,350,000
|
4,500,000
|
5,913,000
|
5,500,000
|
-
|